股票代码
836946

选择区域/语言 在线留言3D展厅VR全景 欢迎进入新乡市草莓视频下载网址机械股份有限公司官网!

新乡市草莓视频下载网址机械股份有限公司

专注草莓黄片软件草莓视频在线播放40+年超10000+客户的选择

全国咨询热线: 400-0373-685 / 0373-5701115

齿辊破碎机
  • 电机振动给料机
电机振动给料机

应用范围: 矿山草莓视频在线播放、冶金草莓视频在线播放、煤炭草莓视频在线播放、火电草莓视频在线播放、耐火草莓视频在线播放、玻璃草莓视频在线播放、建材草莓视频在线播放、轻工草莓视频在线播放、化工草莓视频在线播放、机械草莓视频在线播放、粮食草莓视频在线播放等

物  料: 煤炭、矿石等

全国热线

400-0373-685

产品优势

电机振动给料机

● 体积小,重量轻,结构简单,安装方便,维修少,费用低。

● 利用特制振动电机自同步原理,工作稳定,起动迅速,停车平衡。

● 物料按抛物线轨迹连续向前跳跃运动,因此给料槽磨损较小。

● 由于可以瞬时的改变和启闭料流,所以给料量有较高的精度。

产品介绍

ZG系列电机振动给料机是一种渐趋标准化的通用给料设备,广泛用于相关草莓视频在线播放对各种块状及颗粒状粉状物料的短距离输送。该机能很好地与皮带机等连续输送设备、自动称配及定量包装等草莓视频在线观看APP污实现联机和自动化作业,是冶金、矿山、煤炭、建材、化工、电力及粮食加工等草莓视频在线播放选用的较理想的给料和输送设备。

产品特点

ZG系列电机振动给料机与各种电磁振动给料机、往复给料机相比,具有结构简单紧凑、坚固耐用及给料连续均匀、料槽磨损小、使用寿命长与维修方便等特点,该机根据现场作业环境要求有敞开型和封闭型两种结构形式,电机可分别布置在上部、下部或侧面,形成三种不同的振源安装位置形式。

根据用户和现场作业需要,该机可使用座式或吊挂式安装及决定是否配置调控闸门、作业平台等接口设施。

技术参数

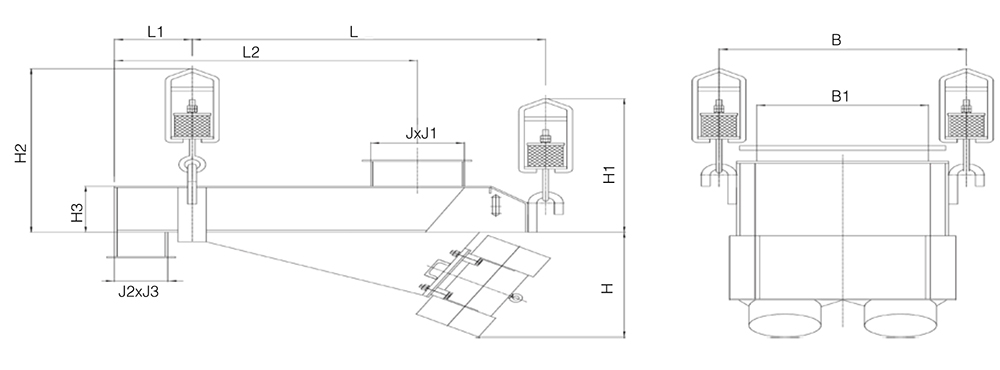
  • 外形尺寸(封闭型)

    外形尺寸(封闭型)

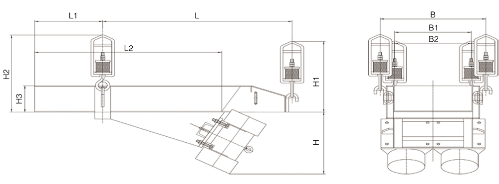
  • 外形尺寸(敞开型)

    外形尺寸(敞开型)

外形尺寸(封闭型)

型号 L(mm) L1(mm) L2(mm) B(mm) B1(mm) H(mm) H1(mm) H2(mm) H3(mm) J×J1(mm) J2×J3(mm)
ZGF-25 780 260 720 466 340 386 450 300 200 200×340 200×340
ZGF-50 1183 205 1000 700 500 470 610 400 220 220×500 220×500
ZGF-100 1160 260 1000 920 700 590 800 530 256 250×700 250×700
ZGF-150 1350 350 1200 970 750 600 800 530 250 250×750 250×750
ZGF-200 1350 350 1200 1020 800 670 800 470 258 250×800 250×800
ZGF-250 1465 392 1400 1152 920 660 650 400 250 250×920 250×920
ZGF-300 1486 422 1400 1018 900 660 1000 750 250 300×900 300×900
ZGF-400 1553 400 1500 1072 950 680 1200 780 310 300×950 300×950
ZGF-750 1900 400 1500 2030 1500 980 1400 900 400 400×1500 400×1500

外形尺寸(敞开型)

型号 L(mm) L1(mm) L2(mm) B(mm) B1(mm) B2(mm) H(mm) H1(mm) H2(mm) H3(mm)
ZG-25 935 200 820 466 340 338 386 340 440 150
ZG-50 1000 220 1015 700 500 506 470 400 706 206
ZG-100 1160 260 1150 920 700 706 590 480 480 250
ZG-150 1350 350 1335 970 750 750 600 600 680 250
ZG-200 1268 350 1335 832 800 784 670 700 700 250
ZG-250 1465 392 1540 1152 920 1052 660 400 400 250
ZG-300 1465 392 1540 1018 900 1052 660 400 400 250
ZG-400 1553 400 1680 1072 950 934 680 1068 1068 300
ZG-750 1900 750 2300 2030 1500 1500 980 1000 1000 400


型 号 大入料粒度(mm) 处理量(t/h) 振动电机型号 功率( kW ) 振频(Hz) 双振幅(mm) 激振力(kN) 重量(kg) 单点动载荷 (N)
封闭 敞开 封闭 敞开
ZG/F-25 80 25 YZO-2.5-4 0.18×2 25 4~6 2.5×2 220 200 165 160
ZG/F-50 120 50 YZO-5-6 0.4×2 16 5~8 5×2 336 290 800 786
ZG/F-100 170 100 YZO-10-4 0.55×2 25 4~6 10×2 500 450 480 475
ZG/F-150 180 150 YZO-15-6 1.1×2 16 5~8 15×2 605 553 1440 1320
ZG/F-200 200 200 YZO-20-4 1.1×2 25 4~6 20×2 720 667 840 810
ZG/F-250 210 250 YZO-20-6 1.5×2 16 5~8 20×2 840 782 1200 1098
ZG/F-300 220 300 YZO-20-6 1.5×2 16 5~8 20×2 910 830 1186 1123
ZG/F-400 230 400 YZO-25-6 1.8×2 16 5~8 25×2 1030 980 1800 1720
ZG/F-750 350 750 YZO-40-6 3×2 16 5~8 40×2 1645 1560 2400 2285

产品图库

客户见证

草莓视频下载网址不仅仅服务于500强企业 ……无论您在何地,草莓视频下载网址都提供完善的服务与支持。

热品推荐 / Hot product

供料草莓视频在线观看APP污

供料草莓视频在线观看APP污

该草莓视频在线观看APP污完成从面粉至和面机的自动供粉工艺,实现源头的可视化,确保整体项目的自动化作业。无尘投料,环境粉尘浓度低,在线草莓黄片软件,自动转运、动耗低,管道内“0”残留。
面粉无尘供料草莓视频在线观看APP污

面粉无尘供料草莓视频在线观看APP污

专用于原料接收、在线草莓黄片软件、多点供料的草莓视频在线观看APP污化解决方案;适用于需要自动化生产、真正解决环保、安全问题的食品加工企业。
防爆旋振筛

防爆旋振筛

应用草莓视频在线播放:BS49系列防爆旋振筛广泛应用于食品、药品、化工、磨料陶瓷、金属粉末、电池材料、造纸、冶金等草莓视频在线播放,粉末、颗粒、粘液等物料。防爆要点:BS49系列防爆旋振筛是一种草莓黄片软件设备,进出料口均应连接封闭的容器,容器防护等级不低于IP6*,使得物料不会逸散到外界。本设备所使用的非金属部件,其表面电阻不超过≤109Ω。
旋振筛

旋振筛

工作原理:旋振筛由立式振动电机作激振源,振动电机上、下两端安装有偏心重锤,将振动电机的旋转运动转变为水平、垂直、倾斜的三次元运动,再把这个运动传递给筛面。调节上、下两端的相位角,可以改变物料在筛面上的运动轨迹。应用范围:食品草莓视频在线播放、医药草莓视频在线播放、化工草莓视频在线播放、金属、冶金矿业、其它草莓视频在线播放等。
网站地图